On-call Service: +45 70 24 45 18

Customer Service: +45 70 20 04 11

/Files/Images/AVN-logo/AVN_Hydraulik_sort_RGB_2020.png

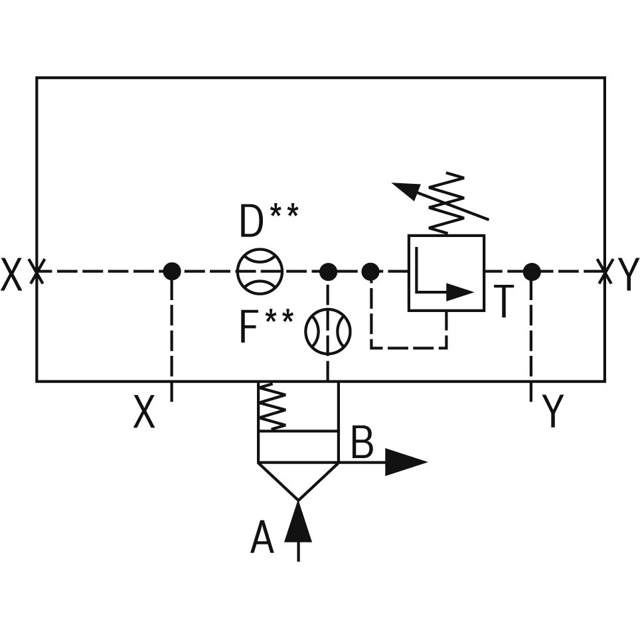
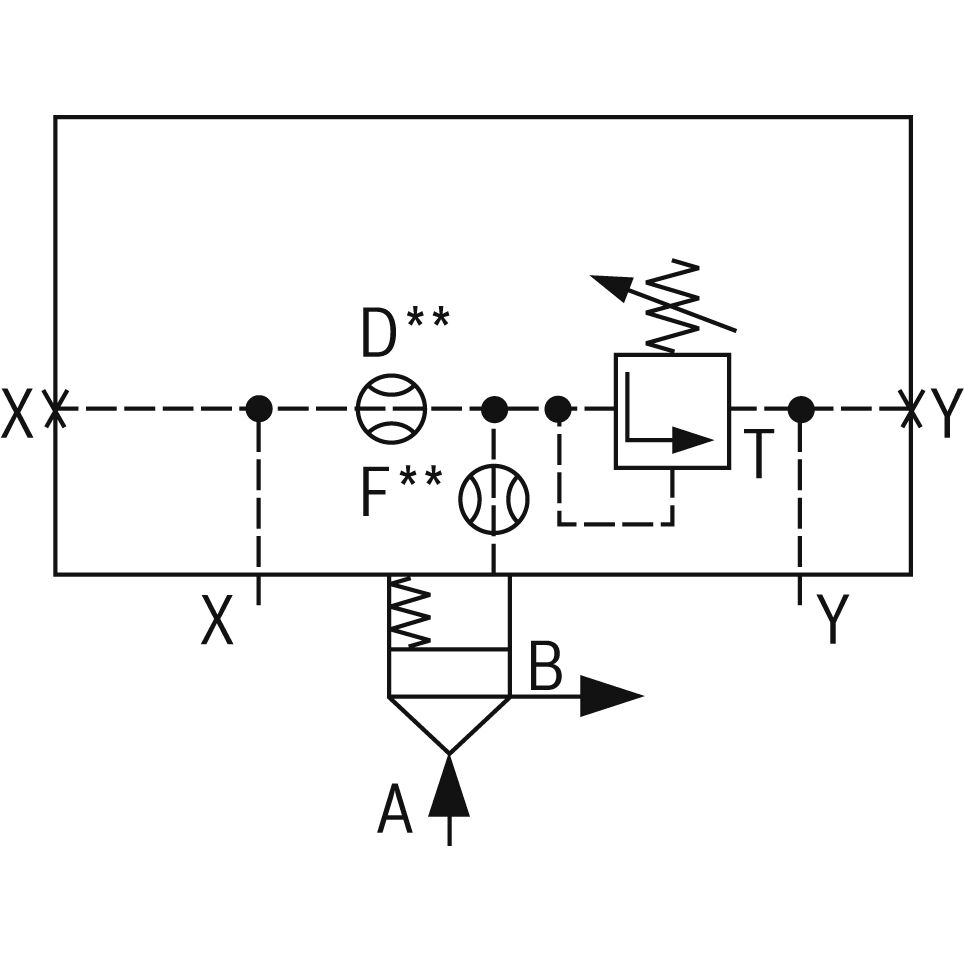
LOGIC COVER LFA50DBU2B2-7X/400A200

R900244247
Out of stock

Information

Hydraulic fluid HL;HLP;HLPD;HVLP;HVLPD;HFC
Iteration 0
Long Description Control cover for 2-way cartridge valves, reliable limiting of the pressure in connection with a 2-way cartridge valve according to the hydraulic symbol.Multiple pressure ratingsHexagon
Max. pressure 400 bar
Short Description LOGIC COVER LFA50DBU2B2-7X/400A200
Size 50
Type of actuation manual pressure adjustment
Type of connection Subplate mounting
Weight 10.95 kg