Vagttelefon: +45 70 24 45 18

Kundeservice: +45 70 20 04 11

/Files/Images/AVN-logo/AVN_Hydraulik_sort_RGB_2020.png

SCREW-IN CARTRIDGE VALVE 04330610200000A-VSON-08U-G-00-A

R901104068
Ikke på lager

Information

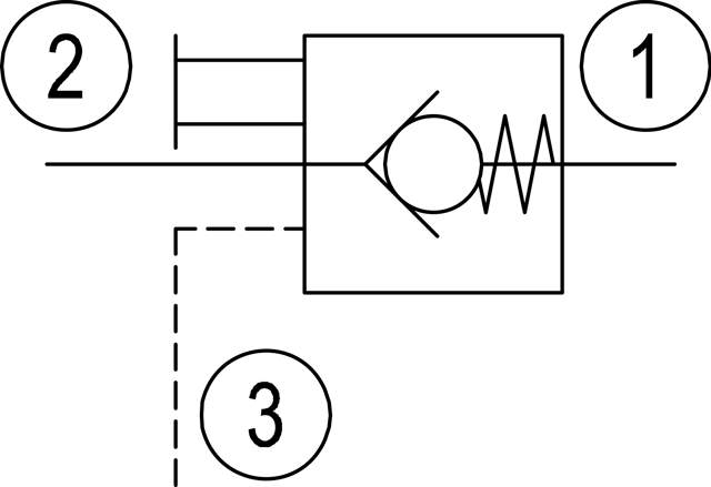
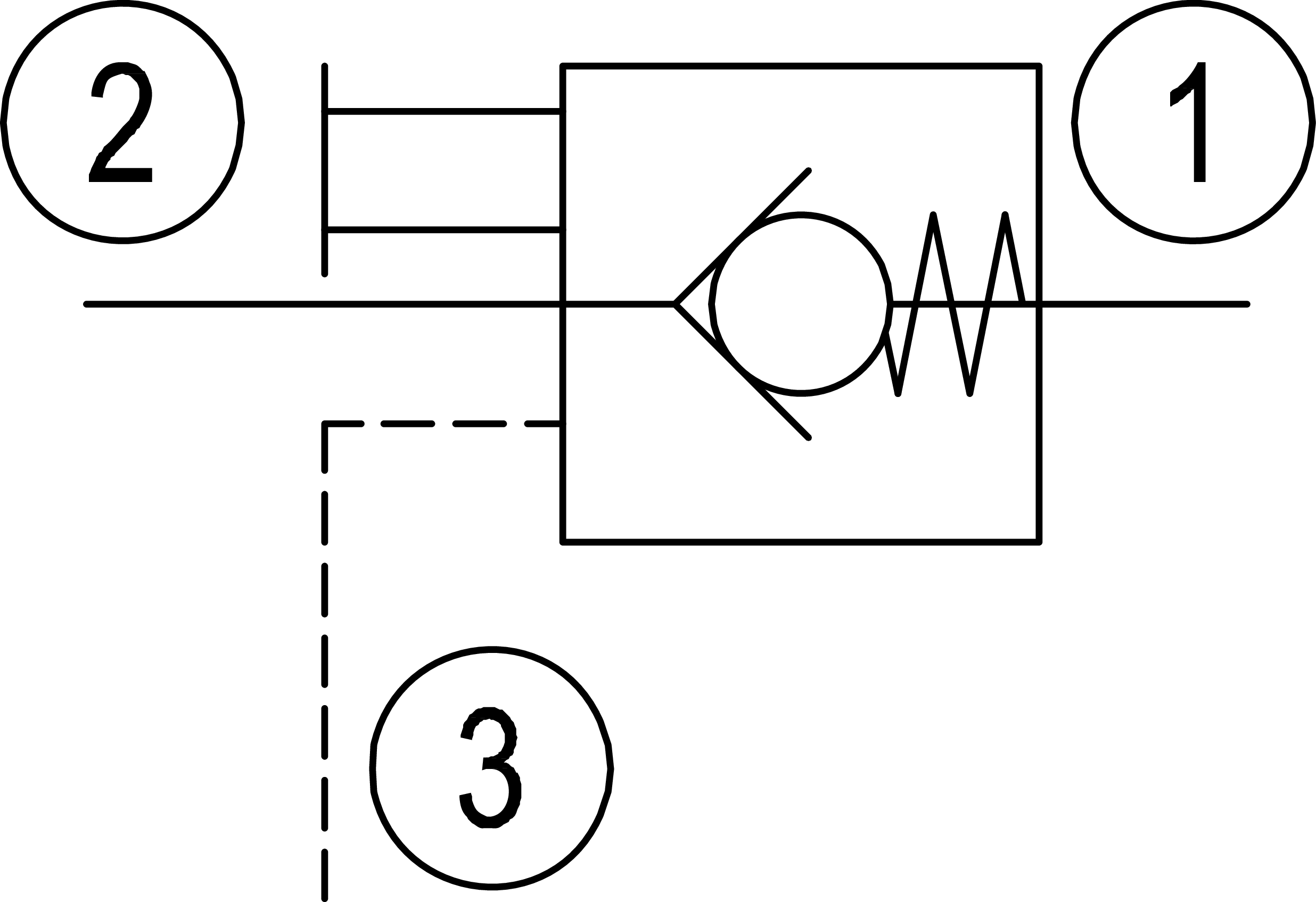
Cavity Sun T-11A
Direct - Pilot External pilot operated
Hydraulic fluid HL;HLP
Iteration 9
Long Description Maximum flow 60 l/min (16 gpm)Cavity Sun T-11AScrew-in cartridge valveMaximum operating pressure 350 bar (5000 psi)
Max. flow 60 l/min
Max. pressure 350 bar
Nominal flow 60 l/min
Pilot ratio 3.01
Ports number 3
Pressure pre-setting Without pressure pre-setting
Pressure setting 2 bar
Product family classification Pilot operated check, pilot to open
Product family type VSON
Sealing material NBR
Short Description SCREW-IN CARTRIDGE VALVE 04330610200000A-VSON-08U-G-00-A
Spool Poppet Poppet type
Type of connection Screw-in cartridge valve
Weight 0.125 kg