F2010.B.080.Z06.02.R681M
F2010B080Z0602R681M
P | M | K | N | S | H | O | |
---|---|---|---|---|---|---|---|
Main application
Additional application
|




Pakkestørrelse
1
Information
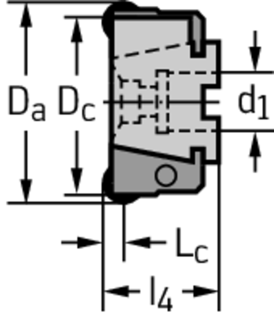
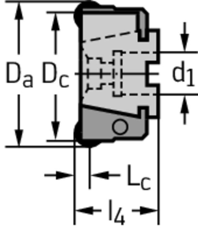
Antal tænder Z | 6 |
Antal vendeplatter Ant WSP | 6 |
emnevægt | 1,3 kg |
Forbindelsesdiameter d 1 | 27 mm |
Funktionel længde l 4 | 50 mm |
Maksimal snitdiameter D a | 90 mm |
Skærlængde L c | 2 mm |
Værktøjsdiameter D c | 80 mm |