F2252.BN.100.Z04.12.S724
F2252BN100Z0412S724
P | M | K | N | S | H | O | |
---|---|---|---|---|---|---|---|
Main application
Additional application
|



Pakkestørrelse
1
Information
Antal tænder Z | 4 |
Antal vendeplatter Ant WSP | 4 |
emnevægt | 0,92 kg |
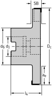
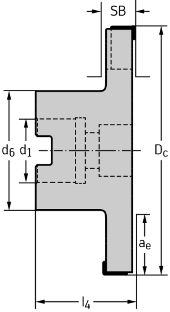
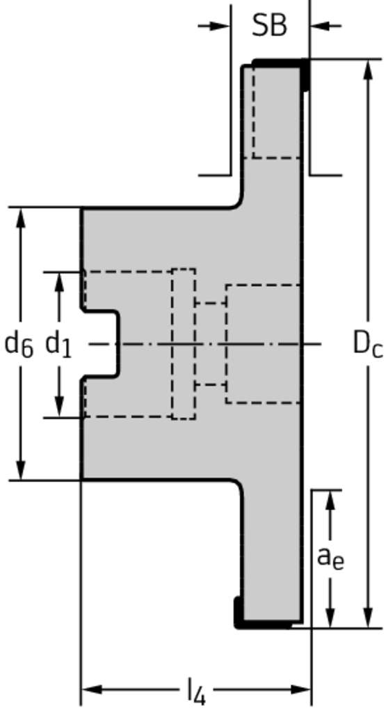
Forbindelsesdiameter d 1 | 27 mm |
maks. spåndybde a e | 24 mm |
Maks. udhæng l 4 | 50 mm |
Maksimal fræsebredde SB max | 14 mm |
Minimal fræsebredde SB min | 12 mm |
Navdiameter d 6 | 48 mm |
Værktøjsdiameter D c | 100 mm |