F4053.BN27.100.Z05.04R
F4053BN27100Z0504R
P | M | K | N | S | H | O | |
---|---|---|---|---|---|---|---|
Main application
Additional application
|




Pakkestørrelse
1
Information
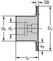
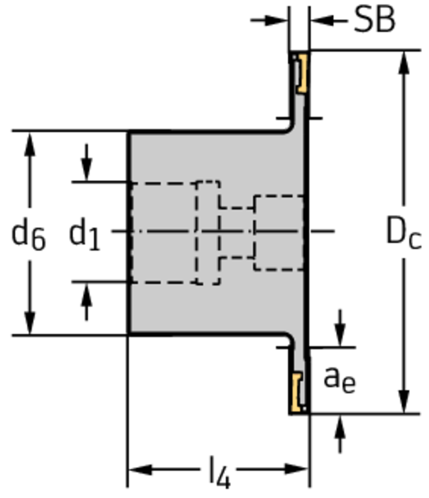
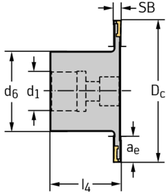
Antal tænder Z | 5 |
Antal vendeplatter Ant WSP | 10 |
emnevægt | 0,7 kg |
Forbindelsesdiameter d 1 | 27 mm |
Funktionel længde l 4 | 50 mm |
maks. spåndybde a e | 24 mm |
maks. spåndybde SB | 4 mm |
Navdiameter d 6 | 48 mm |
Værktøjsdiameter D c | 100 mm |