F5055.UBN40.160.Z14.4,0R
F5055UBN40160Z1440R
P | M | K | N | S | H | O | |
---|---|---|---|---|---|---|---|
Main application
Additional application
|




Pakkestørrelse
1
Information
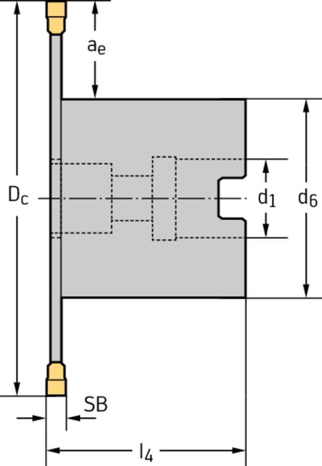
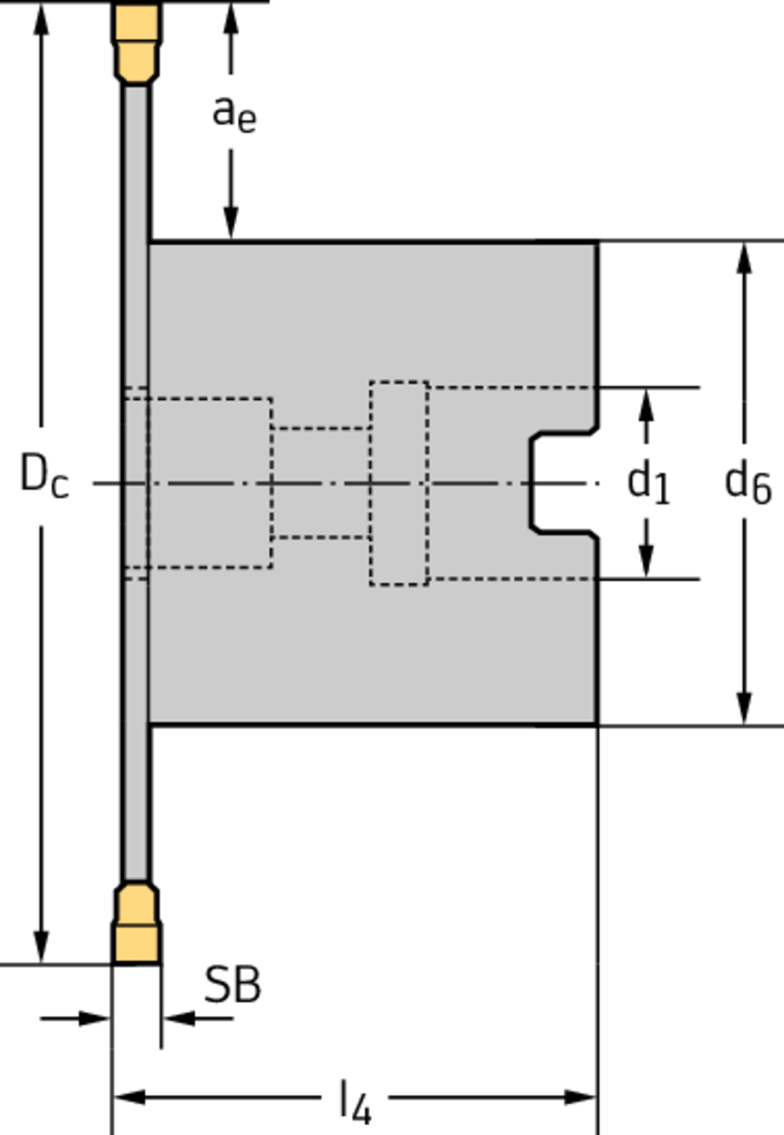
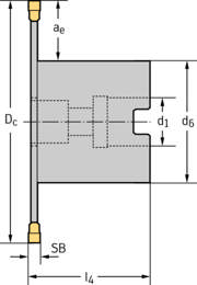
Antal tænder Z | 14 |
Antal vendeplatter Ant WSP | 14 |
emnevægt | 2,3 lbs |
Forbindelsesdiameter d 1 | 1,5 inch |
Funktionel længde l 4 | 2,52 inch |
maks. spåndybde a e | 1,496 inch |
Navdiameter d 6 | 3,15 inch |
Skærebredde SB | 0,158 inch |
Værktøjsdiameter D c | 6,299 inch |