TC630-UNC1/4-A1D-WB10TJ
TC630-UNC1/4-A1D-TJ
P | M | K | N | S | H | O | |
---|---|---|---|---|---|---|---|
Main application
Additional application
|







Pakkestørrelse
1
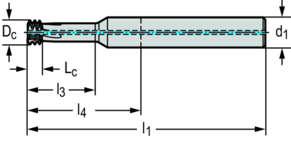
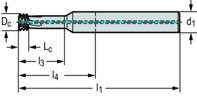
Information
Antal tænder Z | 4 |
Anvendelig længde l 3 | 14,7 mm |
Forbindelsesdiameter d 1 | 6 mm |
Funktionel længde l 4 | 21 mm |
Gevindstørrelse D N | UNC 1/4-20 |
Samlet længde l 1 | 57 mm |
Skruegang pr. tomme | 20 |
Skærlængde L c | 3,81 mm |
Værktøjsdiameter D c | 4,85 mm |
Værktøjskropdiameter d 2 | 3,27 mm |